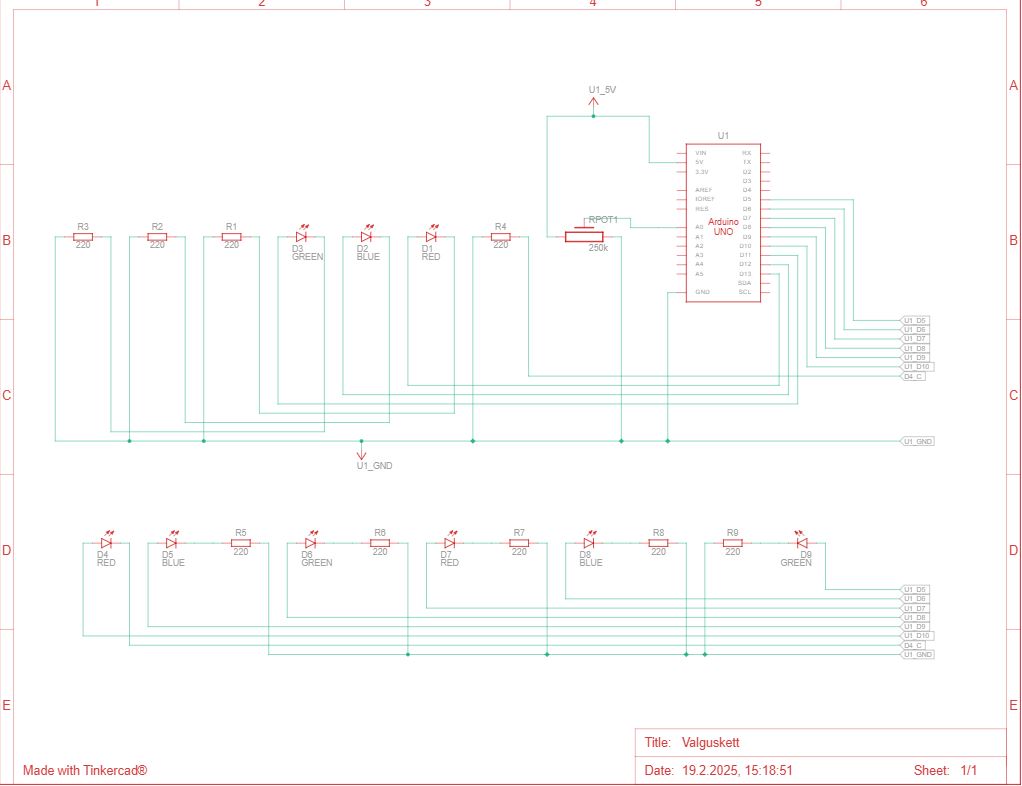
Komponendid:
– Arduino Uno R3 plaat
– 9 takistit R1 1 kOhmi kohta
– 3 punast LED-i
– 3 rohelist LED-i
– 3 sinist LED-i
– Potentsiomeeter Rpot1


See on skeem
Töö edenemine:
1. Tinkercade’is paneme kokku potentsiomeetri skeemi, mis oli antud teises ülesandes.
2. Kirjutame selle vooluringi koodi.
int sensorPin = 0;
int ledred1 = 13; // red
int ledblue1 = 12; // blue
int ledgreen1 = 11; // green
int ledred2 = 10; // red
int ledblue2 = 9; // blue
int ledgreen2 = 8; // green
int ledred3 = 7; // red
int ledblue3 = 6; // blue
int ledgreen3 = 5; // green
int sensorValue = 0;
int Value_new;
void setup() {
pinMode(ledred1, OUTPUT);
pinMode(ledred2, OUTPUT);
pinMode(ledred3, OUTPUT);
pinMode(ledblue1, OUTPUT);
pinMode(ledblue2, OUTPUT);
pinMode(ledblue3, OUTPUT);
pinMode(ledgreen1, OUTPUT);
pinMode(ledgreen2, OUTPUT);
pinMode(ledgreen3, OUTPUT);
}
void red() {
digitalWrite(ledred1, HIGH);
digitalWrite(ledred2, HIGH);
digitalWrite(ledred3, HIGH);
delay(100);
digitalWrite(ledred1, LOW);
digitalWrite(ledred2, LOW);
digitalWrite(ledred3, LOW);
delay(100);
}
void blue() {
digitalWrite(ledblue1, HIGH);
digitalWrite(ledblue2, HIGH);
digitalWrite(ledblue3, HIGH);
delay(200);
digitalWrite(ledblue1, LOW);
digitalWrite(ledblue2, LOW);
digitalWrite(ledblue3, LOW);
delay(200);
}
void green() {
digitalWrite(ledgreen1, HIGH);
digitalWrite(ledgreen2, HIGH);
digitalWrite(ledgreen3, HIGH);
delay(100);
digitalWrite(ledgreen1, LOW);
digitalWrite(ledgreen2, LOW);
digitalWrite(ledgreen3, LOW);
delay(100);
}
void loop() {
Value_new = analogRead(sensorPin);
Value_new = map(Value_new, 0, 1023, 1, 4);
if (Value_new == 2) {
red();
} else if (Value_new == 3) {
blue();
} else if (Value_new == 4) {
green();
} else {
digitalWrite(ledred1, LOW);
digitalWrite(ledred2, LOW);
digitalWrite(ledred3, LOW);
digitalWrite(ledblue1, LOW);
digitalWrite(ledblue2, LOW);
digitalWrite(ledblue3, LOW);
digitalWrite(ledgreen1, LOW);
digitalWrite(ledgreen2, LOW);
digitalWrite(ledgreen3, LOW);
}
}
3. Kontrollige funktsionaalsust.
4. Panime vooluringi kokku ja laadime koodi Arduino IDE kaudu plaadile.
Ja selgub, et kui potentsiomeetrit kerida, süttivad kõigepealt punased lambid, siis sinised ja siis rohelised!